2-6GHz RF Band Pass Filter Microwave Cavity Filter
Keenlion is pleased to announce our new 2-6 GHz RF Band Pass Filter designed for use in high performance Wideband Communication Systems. The The 2-6 GHz Bandpass Filter is an essential component in RF and microwave applications. It allows signals within a specific 2-6 GHz frequency range to pass through while attenuating frequencies outside this range.
Main Indicators
|
Items |
|
|
Centre Frequency |
4000MHz |
|
Passband |
2000-6000MHz |
|
Insertion Loss |
≤1.5dB |
|
VSWR |
≤2:1 |
|
Rejection |
≤-60dB @DC-1700 MHz ≤-40dB @6500-18000 MHz |
|
Impedance |
50 Ω |
|
Connector |
φ0.45 PIN |
|
Operating Power |
15W |
|
Material |
Aluminum |
|
Surface Treatment |
Silver |
|
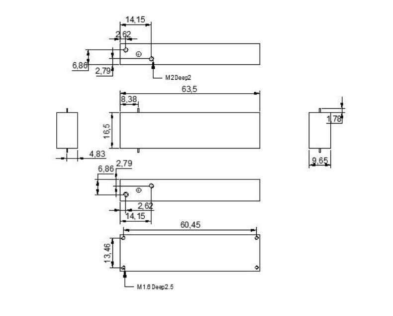
Size |
As Below ↓(±0.1mm) Unit:mm |
Outline Drawing
Key Features and Manufacturing Strengths
Electrical Performance Specifications
A 2000-6000 MHz Band Pass RF Filter has its centre frequency at 4000 MHz, while its passband extends across 2000-6000 MHz range. Its insertion loss does not exceed 1.5 dB within the range, thus maintaining the signal integrity in sensitive receivers. VSWR being 2:1 or less allows transfer of power efficiently with little reflection. 60 dB of out of band rejection is obtainable from DC through to 1700 MHz which has the effect of blocking all low band interference. Also, 40 dB of upper rejection can be obtained from 6500 MHz up to 18000 MHz which helps in protecting against harmonic and spurious response affecting system performance.
Physical Construction and Combination
The RF Band Pass Filter Made from aluminium Metal machined accurately and then coated with silver to provide maximum electrical conduction and to prevent corrosion. It’s small in size for places where space is tight. The unconnected ends have standard connectors φ0.45 PIN types of connectors; but there are other types of connectors available if needed. The maximum power output of the filter is 15 watts (Continuous wave) which makes it suitable for use in multiple applications like the receiver front end as well as test equipment uses.
Environmental and Manufacturing Standards
The 2000-6000MHz RF Band Pass Filter from Keenlion is produced with dimensional accuracy of ±0.1 mm. Silver finishing produces consistent electric operation in all modes of operation. Being a manufacturing facility, we have complete control over the manufacturing process and can therefore provide quick adjustments to the center frequency, bandwidth and physical size to meet your unique requirements.
Contact the Keenlion engineering staff for samples and technical support and experience the precision of 2000-6000MHz RF Band Pass Filters from Keenlion.













