8 Way Power Divider,Power Splitter, RF Combiner,100-600MHz
8 Way Power Divider, designed to efficiently split signals in the frequency range of 100-600MHz in the VHF and UHF Bands.
This power splitter distributes a single satellite signal input into multiple output channels, supporting 8-way signal splitting. Operating across 100 to 600 MHz, it delivers consistent equal power distribution at all output ports. With an output port isolation rating of no less than 20 dB, the device achieves high mutual isolation to suppress mutual interference between output ports .
Main Indicators
|
Product Name |
|
|
Frequency Range |
100~600 MHz |
|
Insertion Loss |
≤2dB(Does not include Theoretical Loss 9dB) |
|
VSWR |
≤1.4: 1 |
|
Isolation |
≥20dB |
|
Impedance |
50 Ω |
|
Connectors |
SMD |
|
Power Handling |
10W |
|
Surface Treatment |
Black Painting |
|
Size Tolerance |
As Below ↓ ( ±0.5mm) |
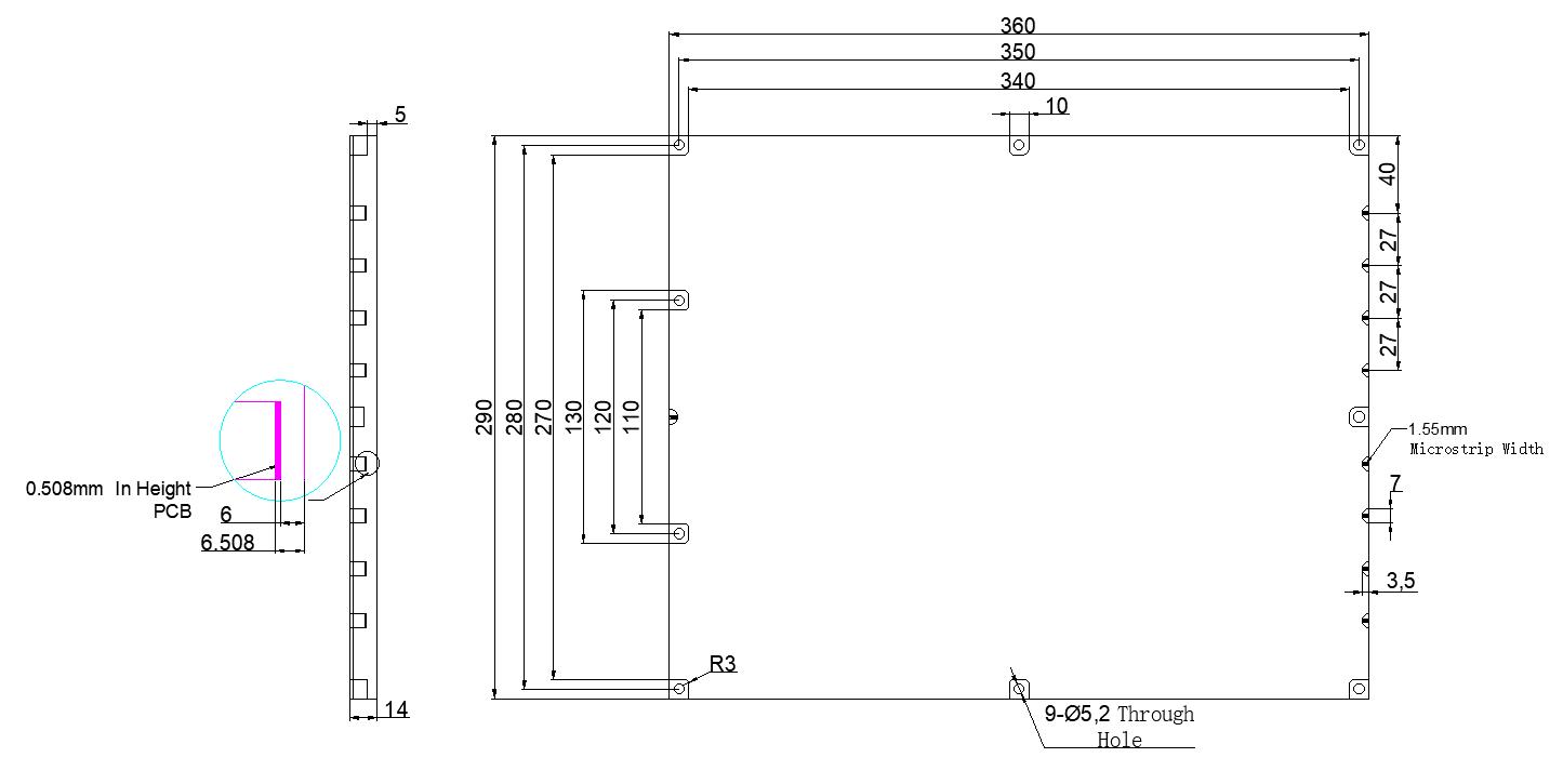
Outline Drawing
Key Features and Manufacturing Strengths
Full Customization: Fully customisable frequency range, power rating and connector type options.
Low insertion loss: (maximum 2dB in excess of the theoretical 9dB split loss).
High isolation: (minimum 20dB between output ports, limiting potential cross talk).
SMD Package: SMD style enclosure allows for simplified assembly & production processes for customers producing in high volumes.
Factory-Direct Pricing: Factory Direct pricing offering a highly competitive price due to full control of the manufacturing process.
Technical Support: available from design thru to integration
100-600MHZ Power Divider Details
Electrical Performance Specifications
The 100-600MHz 8 Way Power Divider covers 100 to 600 MHz with insertion loss below 2 dB above the theoretical 9 dB division loss. VSWR of 1.4:1 ensures efficient power transfer with minimal reflection. Port isolation of 20 dB prevents signal leakage between channels, maintaining system integrity in multi-antenna deployments.This 100-600MHz 8 Way Power Divider features 50 Ω impedance with SMD connectors for automated assembly compatibility. Power handling of 10 watts suits distributed antenna systems and small-cell infrastructure.









